Řada 32300 Zúžené ložisko válce
Řada 32300 Zúžené ložisko válce
Řada 32300 Zúžené ložisko válce

Řada 32300

The Kuželíková válečková ložiska řady 32300 jsou vysokokapacitní oddělitelná ložiska navržená pro současné zvládnutí významných radiálních a axiálních zatížení. Tato řada se vyznačuje strmou vnitřní geometrií, kde se kontaktní úhly vnitřní oběžné dráhy (kužel), vnější oběžné dráhy (miska) a kuželových válečků sbíhají ve společném vrcholu na ose ložiska. Tato specifická konstrukce zajišťuje skutečný valivý pohyb a nízké tření během provozu. Řada 32300 je vyrobena z vysoce čisté chromové oceli a vyznačuje se větším průřezem a větším průměrem válečků ve srovnání se standardní řadou, což poskytuje zvýšenou nosnost a strukturální tuhost. Tato ložiska se obvykle montují v párech, aby bylo dosaženo obousměrného axiálního omezení, což z nich činí základní součásti v těžkých mechanických převodech výkonu a sestavách náprav vozidel.

Odeslat poptávku

Technické specifikace a výkonnostní profil: Kuželíková válečková ložiska řady 32300

Základní technické výhody

  • Řízení kombinované zátěže: Navrženo tak, aby podporovalo velký tah a radiální síly prostřednictvím optimalizovaného zúžené kontaktní úhly .
  • Oddělitelné součásti: Miska a kuželová sestava (válečky a klec) jsou nezávisle namontovatelné, což usnadňuje údržbu a přesné nastavení vůle .
  • Vysoká rozměrová stabilita: Speciální procesy tepelného zpracování zajišťují, že si ložisko zachová své geometrické tolerance za kolísavých tepelných podmínek.
  • Nízké provozní tření: Přesně broušené oběžné dráhy minimalizují drsnost povrchu, snižují točivý moment a hromadění tepla během vysokorychlostní rotace .

Technické vlastnosti

Specifikace materiálu Ložisková ocel GCr15 s vysokým obsahem uhlíku a chromu
Materiál klece Lisovaná ocel / obráběná mosaz (v závislosti na aplikaci)
Přesný stupeň P0 (normální), P6, P5
Typ načítání Jednosměrné axiální Vysoké radiální
Teplotní rozsah -30 °C až 120 °C (standardní mazání)

Primární aplikační scénáře

  • Automobilové pohony: Náboje kol pro těžké nákladní automobily, diferenciály a přenosové systémy.
  • Průmyslové stroje: Primární komponenty v redukční jednotky převodovky , válcovny a důlní zařízení.
  • Stavební vybavení: Integrováno do konečných hnacích sestav rypadel a buldozerů, které vyžadují odolnost proti nárazovému zatížení .
  • Zemědělská technika: Vysoce namáhané otočné body a hnací hřídele v traktorech a sklizňových strojích.

Protokoly instalace a údržby

Skladování a manipulace

Ložiska by měla být skladována v čistém a suchém prostředí s a stálá teplota aby se zabránilo kondenzaci vlhkosti. Původní ochranný tukový povlak musí zůstat neporušený; neodstraňujte antikorozní balení až do okamžiku instalace. Vyhněte se vertikálnímu stohování nad stanovenou výšku, abyste předešli eliptická deformace prstenů.

Bezpečnostní opatření při používání

  • Nastavení axiální vůle: Během montáže se endplay nebo preload musí být přesně nastaveny podle specifikací výrobce, aby se zabránilo předčasné únavě nebo přehřátí.
  • Kontrola kontaminace: Ujistěte se, že pouzdro a hřídel jsou bez abrazivních částic; využít kompatibilní těsnění pro udržení čistoty maziva ve venkovním nebo prašném prostředí.
  • Výběr mazání: Použijte Přísady pro extrémní tlaky (EP). v mazivech pro aplikace zahrnující velké rázové zatížení pro udržení dostatečného olejového filmu mezi válečky a oběžnými drahami.
  • Ověření zarovnání: Zajistit soustřednost šachty ke skříni je v rámci specifikovaných limitů, aby se zabránilo zatížení okrajů na kuželové válečky.

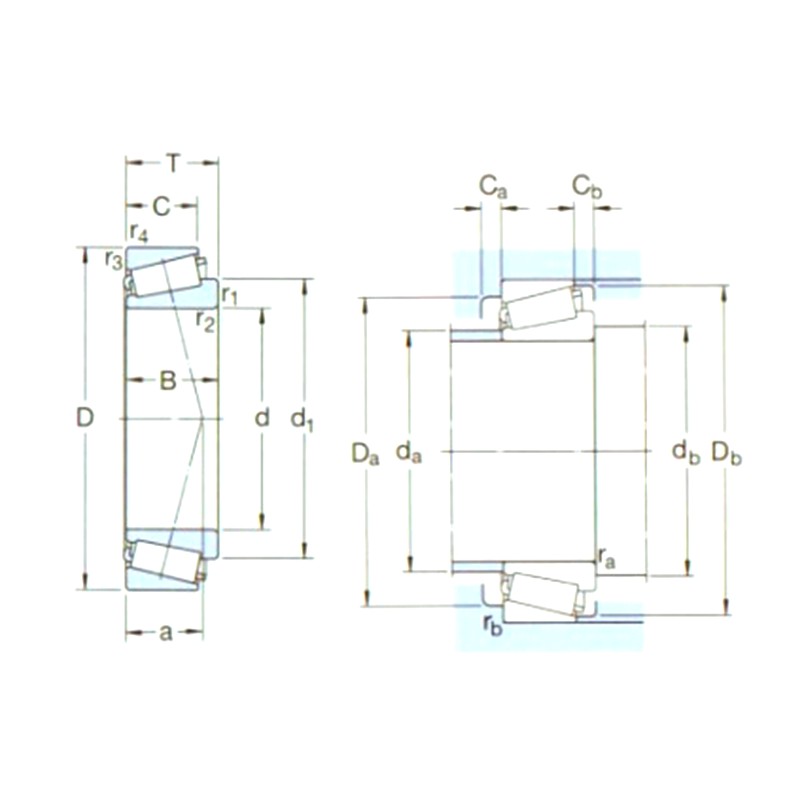
Parametry produktu

Označení Hlavní rozměry (mm) Základní nosnost (KN) Pu Rychlostní hodnocení (ot./min) Hmotnost (kg) ISO335 Rozměry (mm) Rozměry opěry a zaoblení (mm) Hodnota
d1 D B dyc (Cr) stc(Cor) Rychlostní hodnocení Omezení rychlosti Rozměry (ABMA) d d1~ B C r1,2 (min) r3,4 (min) a da (max.) db (min) Da (min) Da (max.) Db (min) Ca (min) Cb (min) ra (max.) rb (max.) e Y Jo
32303J2/Q 17 47 20,25 40 33,5 3,65 12000 16000 0,17 2FD 17 30,7 19 16 1 1 12 24 23 39 41 43 3 4 1 1 0,28 2,1 1,1
32304J2/Q 20 52 22,25 51 45,5 5 12000 14000 0,23 2FD 20 34,5 21 18 1,5 1,5 14 27 27 43 45 47 3 4 1,5 1,5 0,3 2 1,1
32305J2 25 62 25,25 60,5 63 7,1 8000 12000 0,36 2FD 25 41,7 24 20 1,5 1,5 15 33 32 52 55 57 3 5 1,5 1,5 0,3 2 1,1
32306J2/Q 30 72 28,75 88 85 9,65 7500 10000 0,55 2FD 30 48,7 27 23 1,5 1,5 18 39 37 59 65 66 3 5,5 1,5 1,5 0,31 1,9 1,1
32307J2/Q 35 80 32,75 95,2 106 12,2 6700 9000 0,73 2FE 35 54,8 31 25 2 1,5 20 44 44 66 71 74 4 7,5 2 1,5 0,31 1,9 1,1
32307BJ2/Q 35 80 32,75 93,5 114 13,2 6300 8500 0,80 5FE 35 59,3 31 25 2 1,5 24 42 44 61 71 76 4 7,5 2 1,5 0,54 1,1 0,6
32307/37BJ2/Q 37 80 32,75 93,5 114 13,2 6300 8500 0,85 - 37 54,8 31 25 2 1,5 20 44 44 66 71 74 4 7,5 2 1,5 0,54 1,1 0,6
32308J2/Q 40 90 35,25 117 140 16 5300 8000 1,00 2FD 40 62,9 33 27 2 1,5 23 51 49 73 81 82 3 8 2 1,5 0,35 1,7 0,9 $ $
32309J2/Q 45 100 38,25 140 170 20,4 4800 7000 1,35 2FD 45 70,4 36 30 2 1,5 25 57 53 82 91 93 4 8 2 1,5 0,35 1,7 0,9 $ $
32309BJ2/QCL7C 45 100 38,25 156 176 20 5000 6700 1,45 5FD 45 74,8 36 30 2 1,5 30 55 53 76 91 94 5 8 2 1,5 0,54 1,1 0,6
32310J2/Q 50 110 42,25 172 212 24 4300 6300 1,80 2FD 50 77,7 40 33 2,5 2 27 63 60 90 100 102 5 9 2 2 0,35 1,7 0,9 $ $
32310TN9 50 110 42,25 172 212 24 4300 6300 1,80 2FD 50 77,7 40 33 2,5 2 27 63 60 90 100 102 5 9 2 2 0,35 1,7 0,9 $ $
32310BJ2/QCL7C 50 110 42,25 183 216 24,5 4500 6000 1,85 5FD 50 82,9 40 33 2,5 2 34 62 60 83 100 103 5 9 2 2 0,54 1,1 0,6
32311J2 55 120 45,5 198 250 28,5 4000 5600 2,30 2FD 55 84,6 43 35 2,5 2 29 68 65 99 112 111 5 10,5 2 2 0,35 1,7 0,9 $ $
32311BJ2/QCL7C 55 120 45,5 216 260 30 4300 5600 2,50 5FD 55 90,5 43 35 2,5 2 36 67 65 91 112 112 5 10,5 2 2 0,54 1,1 0,6
32312J2/Q 60 130 48,5 229 290 34 3600 5300 2,85 2FD 60 91,7 46 37 3 2,5 31 74 72 107 118 120 6 11,5 2,5 2 0,35 1,7 0,9 $ $
32312BJ2/QCL7C 60 130 48,5 255 305 35,5 3800 5000 2,80 5FD 60 98,1 46 37 3 2,5 38 73 72 99 118 122 6 11,5 2,5 2 0,54 1,1 0,6
32313J2/Q 65 140 51 264 335 40 3400 4800 3,45 2GD 65 99,2 48 39 3 2,5 33 80 77 117 128 130 6 12 2,5 2 0,35 1,7 0,9 $ $
32313BJ2/QU4CL7CVQ267 65 140 51 285 345 40,5 3600 4800 3,35 5GD 65 105 48 39 3 2,5 41 79 77 107 128 131 6 12 2,5 2 0,54 1,1 0,6
32314J2/Q 70 150 54 297 380 45 3200 4500 4,30 2GD 70 106 51 42 3 2,5 36 86 82 125 138 140 6 12 2,5 2 0,35 1,7 0,9 $ $
32314BJ2/QCL7C 70 150 54 325 400 46,5 3400 4300 4,25 5GD 70 113 51 42 3 2,5 44 85 82 115 138 141 7 12 2,5 2 0,54 1,1 0,6
32315J2 75 160 58 336 440 51 3000 4300 5,20 2GD 75 113 55 45 3 2,5 38 92 87 133 148 149 7 13 2,5 2 0,35 1,7 0,9 $ $
32315BJ2/QCL7C 75 160 58 380 475 55 3200 4000 5,55 5GD 75 120 55 45 3 2,5 46 90 87 124 148 151 7 13 2,5 2 0,54 1,1 0,6
32316J2 80 170 61,5 380 500 57 3000 4300 6,20 2GD 80 120 58 48 3 2,5 41 98 92 142 158 159 7 13,5 2,5 2 0,35 1,7 0,9 $ $
32317J2 85 180 63,5 402 530 60 2800 4000 6,85 2GD 85 126 60 49 4 3 42 103 99 150 166 167 7 14,5 3 2,5 0,35 1,7 0,9 $ $
32317BJ2 85 180 63,5 391 560 62 2800 4000 7,50 5GD 85 135 60 49 4 3 52 102 99 138 166 169 7 14,5 3 2,5 0,54 1,1 0,6
32318J2 90 190 67,5 457 610 67 2600 4000 8,40 2GD 90 133 64 53 4 3 44 109 105 157 176 177 7 14,5 3 2,5 0,35 1,7 0,9 $ $
32319J2 95 200 71,5 501 670 72 2400 3400 11,0 2GD 95 141 67 55 4 3 47 115 110 166 186 186 8 16,5 3 2,5 0,35 1,7 0,9 $ $
32320J2 100 215 77,5 572 780 83 2200 3000 12,5 2GD 100 151 73 60 4 3 51 123 115 177 201 200 8 17,5 3 2,5 0,35 1,7 0,9 $ $
32321J2 105 225 81,5 605 815 85 2000 3000 14,5 2GD 105 158 77 63 4 3 53 129 120 185 211 209 9 18,5 3 2,5 0,35 1,7 0,9 $ $
32322 110 240 84,5 627 830 86,5 1900 2800 17,0 2GD 110 168 80 65 4 3 55 137 125 198 226 222 9 19,5 3 2,5 0,35 1,7 0,9 $ $
32324J2 120 260 90,5 792 1120 110 1800 2600 21,5 2GD 120 181 86 69 4 3 60 148 135 213 245 239 9 21,5 3 2,5 0,35 1,7 0,9 $ $

O nás Yinin

Šanghajská Yinin Ložisko a přenosová společnost Založeno v roce 2009 s více než 20 lety zkušeností v oblasti ložisek. Jsme čínský Řada 32300 Zúžené ložisko válce výrobce a poskytujeme zakázkovou Řada 32300 Zúžené ložisko válce výrobu. Od roku 1999 působíme jako zástupce čínských výrobců ložisek a vyvážíme různá ložiska. Dnes jsme se vyvinuli v komplexní skupinu ložisek, která integruje prodej a výrobu.

Použití v průmyslu

Ložiska také hrají velmi důležitou roli v zemědělských strojích. Používají se k podpoře rotujícíc...

Ložiska se široce používají v automobilech. Jsou klíčovými podpůrnými a rotujícími částmi mnoha p...

Používá se pro podporu, výšku, úhel, kloub a rotující části zdravotnického vybavení.

Používá se pro podporu, rotaci, motorický a kompresor součástí domácích spotřebičů.

Používá se pro rotaci a pohyb podpory a vodicí části automatizačního vybavení

Ve stavebních strukturách lze ložiska použít k propojení různých strukturálních komponent.

Ve výrobním procesu potravin a nápojů jsou k přepravě kapalin a kompresory používány čerpadla a k...

Ložiska se používají v motorech letadel a kosmických lodí k podpoře rotujících komponent, jako js...

Novinky a informace

Více informací

2026-04-30

Ložiska z nerezové oceli: Průvodce porovnáním rzi, obrá...
Ložiska z nerezové oceli patří mezi nejpoužívanější ložiskové materiály v průmyslových a spotřebních výrobcích. Nabízejí dobrou odolnost proti korozi ve většině prostředí, ale nejsou zcela od...

2026-04-23

Technické strategie pro optimalizaci životnosti kuličko...
Společnost Shanghai Yinin Bearing & Transmission Company, založená jako průmyslově a obchodně integrovaný podnik od roku 2016, se specializuje na komplexní návrh a výrobu špičkových rotačních kompo...

2026-04-15

Jak vybrat správnou vnitřní vůli pro dvouřadé kuličkové...
Vliv vysokých rychlostí otáčení na vůli ložisek Odstředivá síla a tepelná roztažnost : Ve vysokorychlostních aplikacích je vnitřní kroužek an dvouřadé kuličkové ložisko s kosoú...

Kontaktujte nás

SUBMIT

Technické poradenství

  • Šanghajská Yinin Ložisko a přenosová společnost

    Zakázková řešení

  • Šanghajská Yinin Ložisko a přenosová společnost

    Neustálý výzkum a vývoj

  • Šanghajská Yinin Ložisko a přenosová společnost

    Kontrola kvality

  • Šanghajská Yinin Ložisko a přenosová společnost

    Technická podpora a školení

  • Šanghajská Yinin Ložisko a přenosová společnost

    Rychlá reakce

Máte-li jakékoli technické konzultace nebo zpětnou vazbu, poskytneme vám co nejprofesionálnější odpověď!

Kontaktujte nás