Série 33200 Zúžené ložisko válce
Série 33200 Zúžené ložisko válce
Série 33200 Zúžené ložisko válce

Série 33200

Série 33200 Kužele ložiska válců jsou typ ložiska běžně používaný v těžkých a vysoce přesných aplikacích. Tento druh ložiska se skládá z vnitřního kroužku, vnějšího kroužku, válců a klece a má vynikající kapacitu nesoucí zátěž a odolnost proti opotřebení. Jeho design umožňuje ložisku odolat radiálním a axiálním zatížení během provozu a je vhodný pro použití v automobilech, strojírenských strojích, železnicích a dalších oborech. Zúžené válečky řady 33200 poskytují větší kontaktní plochu, čímž se zlepšuje kapacitu nosnosti a provozní stabilitu. Tato série ložisek je obvykle vyrobena z vysoce kvalitní slitinové oceli a má vynikající odolnost proti teplu a odolnost proti korozi, což zajišťuje jejich spolehlivost v drsném pracovním prostředí. Kromě toho standardizovaný návrh ložisek řady 33200 usnadňuje výměnu a údržbu a snižuje náklady na využití.

Odeslat poptávku

33200 série Kužele ložiska válečků - vysoké zatížení, dlouhé životnosti, Precision Industrial Solutions

The Série 33200 série Kužele ložiska válečků je vysoce výkonný, vysoce přesný válcovací ložisko vhodný pro různé průmyslové a mechanické aplikace. Jeho design kombinuje radiální a axiální zatížení, aby odolala vysokému zatížení a dosahování hladkého provozu. Tato řada ložisek se široce používá v automobilovém, průmyslovém vybavení, leteckém prostoru, energii a dalších oborech.

1. Super nakládací kapacita
Optimalizovaný konstrukce kontaktu s válečkem a žebrem zvyšuje uniformitu distribuce zatížení a zvyšuje dynamickou zatížení o 20% ve srovnání se standardními ložiskami.
Vhodné pro prostředí nárazu a vibrace (jako je těžební stroje, těžké nákladní automobily).

2. životnost prodlouženého služeb
Speciální proces tepelného zpracování (technologie karbonitridingu) zvyšuje tvrdost povrchu (HRC 60) a zvyšuje únavovou životnost o 30%.
Možnosti povlaku odolné vůči rezimu (jako je fosfting nebo pokovování zinku) jsou vhodné pro vlhké nebo korozivní prostředí.

3. Precizní provoz a nízká spotřeba energie
Přesnost úrovně úrovně ISO P5 (volitelná P4) snižuje ztrátu tření a pomáhá ušetřit zařízení energie až o 15%.
Nastavitelný návrh předpětí pro splnění vysoce přesných požadavků na přenos (například vřetena stroje).

4. multifunkční přizpůsobivost
Poskytněte císařské a metrické velikosti (například 33205, 33206, 33212 atd.), Kompatibilní s hlavními značkami a zaměnitelnými modely.
Podpora přizpůsobení (těsnění, mastnota, materiály).

Oblasti aplikace
Automobilový průmysl: Používá se pro diferenciály automobilů, převodovky, motory atd.
Průmyslové strojní zařízení: například stroje, dopravní pásy, čerpadla, ventilátory atd.
Energetické vybavení: například generátory, turbíny, kompresory atd.
Aerospace: Používá se pro klíčové komponenty, jako jsou motory letadel a přistávací kola.
Spotřebiče pro domácnost: například pračky, chladničky, klimatizace atd.

Parametry produktu

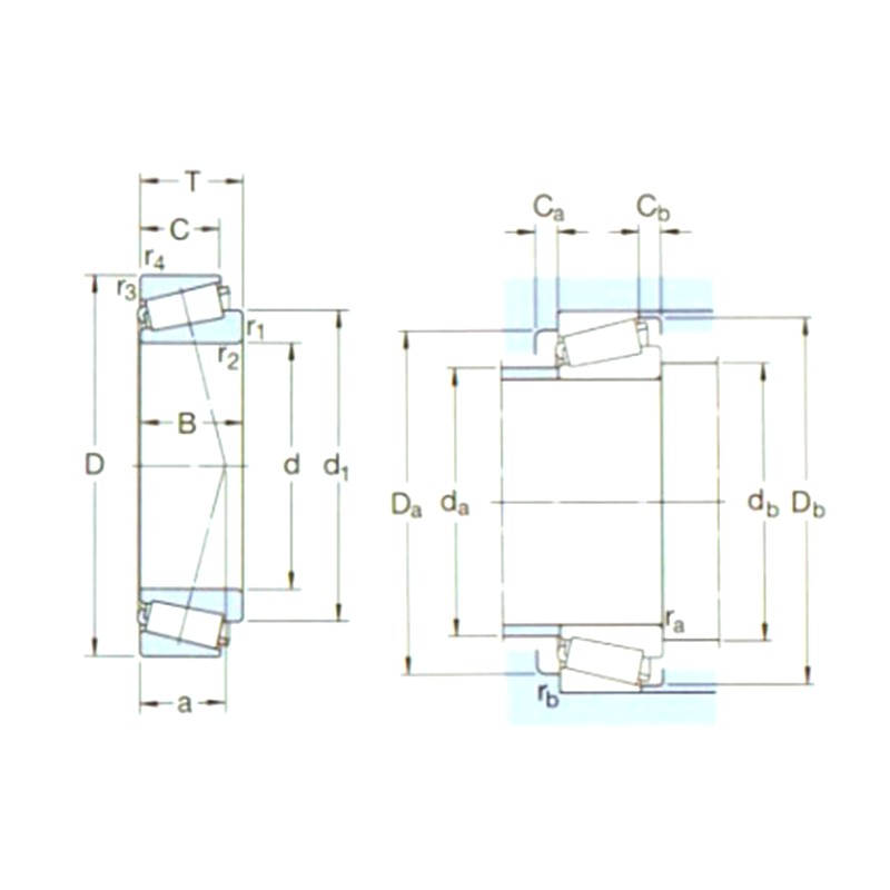
OznAčEní Hlavní rozměry (mm) Základní hodnocení zátěže (KN) Pu Hodnocení rychlosti (RPM) Hmotnost (kg) ISO335 Rozměry (mm) Rozměry opěrky a filet (mm) Hodnota
D1 D B DYC (CR) STC (COR) Hodnocení rychlosti Omezující rychlost Rozměry (ABMA) d D1 ~ B C R1,2 (min) R3,4 (min) a da (max) DB (min) Da (min) Da (max) DB (min) Ca (min) CB (min) ra (max) RB (max) e Y Jo
33205/q 25 52 22 54 56 6 10000 13000 0,23 2de 25 38,6 22 18 1 1 14 30 31 43 46 49 4 4 1 1 0,35 1,7 0,9
33206/q 30 62 25 75 76,5 8,5 8500 11000 0,37 2de 30 45,8 25 19,5 1 1 16 36 36 53 56 59 5 5,5 1 1 0,35 1,7 0,9
33208/qcl7c 40 80 32 120 132 15 6300 8500 0,77 2de 40 59,7 32 25 1,5 1,5 21 47 47 67 73 76 5 7 1,5 1,5 0,35 1,7 0,9
33209/q 45 85 32 108 143 16,3 5300 7500 0,82 3de 45 65,2 32 25 1,5 1,5 22 52 52 72 78 81 5 7 1,5 1,5 0,4 1,5 0,8
33210/q 50 90 32 114 160 18,3 5000 7000 0,90 3de 50 70,7 32 24,5 1,5 1,5 23 57 57 77 83 87 5 7,5 1,5 1,5 0,4 1,5 0,8
33211/q 55 100 35 138 190 21,6 4500 6300 1,20 3de 55 77,6 35 27 2 1,5 25 63 64 85 93 96 6 8 2 1,5 0,4 1,5 0,8
33212/q 60 110 38 168 236 26,5 4000 6000 160 3ee 60 85,3 38 29 2 1,5 27 69 68 93 103 105 6 9 2 1,5 0,4 1,5 0,8
33213/q 65 120 41 194 270 30,5 3800 5300 2,05 3ee 65 92,1 41 32 2 1,5 29 75 74 102 113 115 6 9 2 1,5 0,4 1,5 0,8
33213TN9/q 65 120 41 194 270 30,5 3800 5300 2,05 3ee 65 92,1 41 32 2 1,5 29 75 74 102 113 115 6 9 2 1,5 0,4 1,5 0,8
33214/q 70 125 41 201 285 32,5 3600 5000 2,10 3ee 70 97,2 41 32 2 1,5 30 79 78 107 115 120 6 9 2 1,5 0,4 1,5 0,8
33215/q 75 130 41 209 300 34 3400 4800 2,25 3ee 75 102 41 31 2 1,5 32 84 84 111 122 125 6 10 2 1,5 0,43 1,4 0,8
33216/q 80 140 46 251 375 41,5 3200 4500 2,90 3ee 80 110 46 35 2,5 2 35 89 90 119 130 135 7 11 2 2 0,43 1,4 0,8
33217/q 85 150 49 286 430 48 3000 4300 3,70 3ee 85 117 49 37 2,5 2 37 96 95 128 140 144 7 12 2 2 0,43 1,4 0,8
33219 95 170 58 374 560 62 2600 3800 5,50 3fe 95 132 58 44 3 2,5 42 107 107 144 158 163 9 14 2,5 2 0,40 1,5 0,8
33220 100 180 63 429 655 71 2400 3600 6,95 3fe 100 139 63 48 3 2,5 43 112 112 151 168 172 10 15 2,5 2 0,4 1,5 0,8
30332J2 160 340 75 913 1180 114 1500 2000 29,0 2 GB 160 233 68 58 5 4 61 201 180 290 323 310 9 17 4 3 0,35 1,7 0,9

O nás Yinin

Šanghajská Yinin Ložisko a přenosová společnost Založeno v roce 2009 s více než 20 lety zkušeností v oblasti ložisek. Jsme čínský Série 33200 Zúžené ložisko válce výrobce a poskytujeme zakázkovou Série 33200 Zúžené ložisko válce výrobu. Od roku 1999 působíme jako zástupce čínských výrobců ložisek a vyvážíme různá ložiska. Dnes jsme se vyvinuli v komplexní skupinu ložisek, která integruje prodej a výrobu.

Použití v průmyslu

Ložiska také hrají velmi důležitou roli v zemědělských strojích. Používají se k podpoře rotujícíc...

Ložiska se široce používají v automobilech. Jsou klíčovými podpůrnými a rotujícími částmi mnoha p...

Používá se pro podporu, výšku, úhel, kloub a rotující části zdravotnického vybavení.

Používá se pro podporu, rotaci, motorický a kompresor součástí domácích spotřebičů.

Používá se pro rotaci a pohyb podpory a vodicí části automatizačního vybavení

Ve stavebních strukturách lze ložiska použít k propojení různých strukturálních komponent.

Ve výrobním procesu potravin a nápojů jsou k přepravě kapalin a kompresory používány čerpadla a k...

Ložiska se používají v motorech letadel a kosmických lodí k podpoře rotujících komponent, jako js...

Novinky a informace

Více informací

2026-02-26

Jaké jsou kritické rozdíly mezi přesnými třídami P6 a P...
Ve vysoce přesném světě obrábění pomocí počítačového numerického řízení (CNC) je výkon 6000 kuličkové ložisko je zásadní pro dosažení submikronové přesnosti. Jako tažný kůň Kuličkové lož...

2026-02-19

Technická analýza: Jaké jsou hlavní rozdíly mezi kuličk...
V oblasti vysoce přesného strojírenství výběr správného materiálu pro kuličková ložiska z nerezové oceli je rozhodnutí, které určuje provozní životnost a bezpečnost celého strojního z...

2026-02-12

Je kuličkové ložisko z nerezové oceli 6200 nezbytné pro...
V oblasti techniky rotačního pohybu je řada 6200 jedním z nejrozšířenějších kuličkových ložisek s hlubokou drážkou díky své všestrannosti a optimalizované radiální únosnosti. Při provozu v průmyslo...

Kontaktujte nás

SUBMIT

Technické poradenství

  • Šanghajská Yinin Ložisko a přenosová společnost

    Zakázková řešení

  • Šanghajská Yinin Ložisko a přenosová společnost

    Neustálý výzkum a vývoj

  • Šanghajská Yinin Ložisko a přenosová společnost

    Kontrola kvality

  • Šanghajská Yinin Ložisko a přenosová společnost

    Technická podpora a školení

  • Šanghajská Yinin Ložisko a přenosová společnost

    Rychlá reakce

Máte-li jakékoli technické konzultace nebo zpětnou vazbu, poskytneme vám co nejprofesionálnější odpověď!

Kontaktujte nás