Série 51200 Tahové ložisko
Série 51200 Tahové ložisko
Série 51200 Tahové ložisko

Série 51200

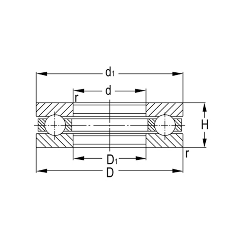
Thtustové ložisko série 51200 je válcovací ložisko speciálně navržené pro axiální zatížení. Obvykle se skládá z jednoho nebo více sfér a dvou ložiskových závodů. Tento druh ložiska se používá hlavně v aplikacích, které potřebují odolat velkým axiálním silám, jako jsou mechanické vybavení, automobily, letectví a další pole. Koule řady 51200 jsou vyrobeny z materiálů s vysokou tvrdou, které mají dobrý odolnost proti opotřebení a pevnost v tlaku a mohou udržovat stabilní výkon během vysokorychlostního provozu. Má kompaktní strukturu a snadno se instaluje, takže je vhodná pro použití v omezených prostorech. Vzhledem ke svému vynikajícímu výkonu a spolehlivosti se v průmyslové produkci a denních strojích široce používají série 51200.

Odeslat poptávku

Parametry produktu

Označení Hlavní rozměry (mm) Základní hodnocení zatížení (KN) Omezená rychlost (RPM) Hmotnost
d D T Dynamic (Cr) Static (cor) Tuk Olej (KG)
51203 17 35 12 17 27.2 4500 6300 0.048
51204 20 40 14 22.2 37.5 3800 5300 0.075
51205 25 47 15 27.8 50.5 3400 4800 0.11
51206 30 52 16 28 54.2 3200 4500 0.13
51207 35 62 18 39.2 78.2 2800 4000 0.21
51208 40 68 19 47 98.2 2400 3600 0.26
51209 45 73 20 47.8 105 2200 3400 0.3
51210 50 78 22 48.5 112 2000 3200 0.37
51211 55 90 25 67.5 158 1900 3000 0.58
51212 60 95 26 73.5 178 1800 2800 0.66
51213 65 100 27 74.8 188 1700 2600 0.72
51214 70 105 27 73.5 188 1600 2400 0.75
51215 75 110 27 74.8 198 1500 2200 0.82
51216 80 115 28 83.8 222 1400 2000 0.9
51217 85 125 31 102 280 1300 1900 1.21
51218 90 135 35 115 315 1200 1800 1.65
51220 100 150 38 132 375 1100 1700 2.21
51222 110 160 38 138 412 1000 1600 2.39

O nás Yinin

Šanghajská Yinin Ložisko a přenosová společnost Založeno v roce 2009 s více než 20 lety zkušeností v oblasti ložisek. Jsme čínský Série 51200 Tahové ložisko výrobce a poskytujeme zakázkovou Série 51200 Tahové ložisko výrobu. Od roku 1999 působíme jako zástupce čínských výrobců ložisek a vyvážíme různá ložiska. Dnes jsme se vyvinuli v komplexní skupinu ložisek, která integruje prodej a výrobu.

Použití v průmyslu

Ložiska také hrají velmi důležitou roli v zemědělských strojích. Používají se k podpoře rotujícíc...

Ložiska se široce používají v automobilech. Jsou klíčovými podpůrnými a rotujícími částmi mnoha p...

Používá se pro podporu, výšku, úhel, kloub a rotující části zdravotnického vybavení.

Používá se pro podporu, rotaci, motorický a kompresor součástí domácích spotřebičů.

Používá se pro rotaci a pohyb podpory a vodicí části automatizačního vybavení

Ve stavebních strukturách lze ložiska použít k propojení různých strukturálních komponent.

Ve výrobním procesu potravin a nápojů jsou k přepravě kapalin a kompresory používány čerpadla a k...

Ložiska se používají v motorech letadel a kosmických lodí k podpoře rotujících komponent, jako js...

Novinky a informace

Více informací

2026-02-26

Jaké jsou kritické rozdíly mezi přesnými třídami P6 a P...
Ve vysoce přesném světě obrábění pomocí počítačového numerického řízení (CNC) je výkon 6000 kuličkové ložisko je zásadní pro dosažení submikronové přesnosti. Jako tažný kůň Kuličkové lož...

2026-02-19

Technická analýza: Jaké jsou hlavní rozdíly mezi kuličk...
V oblasti vysoce přesného strojírenství výběr správného materiálu pro kuličková ložiska z nerezové oceli je rozhodnutí, které určuje provozní životnost a bezpečnost celého strojního z...

2026-02-12

Je kuličkové ložisko z nerezové oceli 6200 nezbytné pro...
V oblasti techniky rotačního pohybu je řada 6200 jedním z nejrozšířenějších kuličkových ložisek s hlubokou drážkou díky své všestrannosti a optimalizované radiální únosnosti. Při provozu v průmyslo...

Kontaktujte nás

SUBMIT

Technické poradenství

  • Šanghajská Yinin Ložisko a přenosová společnost

    Zakázková řešení

  • Šanghajská Yinin Ložisko a přenosová společnost

    Neustálý výzkum a vývoj

  • Šanghajská Yinin Ložisko a přenosová společnost

    Kontrola kvality

  • Šanghajská Yinin Ložisko a přenosová společnost

    Technická podpora a školení

  • Šanghajská Yinin Ložisko a přenosová společnost

    Rychlá reakce

Máte-li jakékoli technické konzultace nebo zpětnou vazbu, poskytneme vám co nejprofesionálnější odpověď!

Kontaktujte nás