29400 série Tah sférického ložiska válečků
29400 série Tah sférického ložiska válečků
29400 série Tah sférického ložiska válečků

29400 série

Throucí sférické ložisko řady 29400 je vysoce výkonné ložisko speciálně navržené tak, aby odolalo těžkému zatížení a axiálním silám. Obecně se používá v metalurgii, těžbě, stavbě lodí a odvětví těžkých strojů. Jeho strukturálním rysem je, že jak vnitřní, tak vnější kroužky jsou kulové v designu, které se mohou účinně přizpůsobit úhlovému posunu způsobenému instalační chyby nebo excentricitou hřídele. Válečky této série ložisek jsou válcové, poskytují větší kontaktní plochu a výrazně zlepšují kapacitu a stabilitu nesoucí zátěž. Současně mají ložiska řady 29400 vysokou odolnost proti opotřebení a odolnost proti teplu, což zajišťuje spolehlivost při dlouhodobém provozu s vysokým zátěží. Jeho hlavními výhodami jsou vynikající odolnost proti únavě a nízký šum, díky čemuž je vhodný pro použití v drsném prostředí. Údržba a mazání ložiska jsou také relativně jednoduché, což dále snižuje náklady na využití.

Odeslat poptávku

Parametry produktu

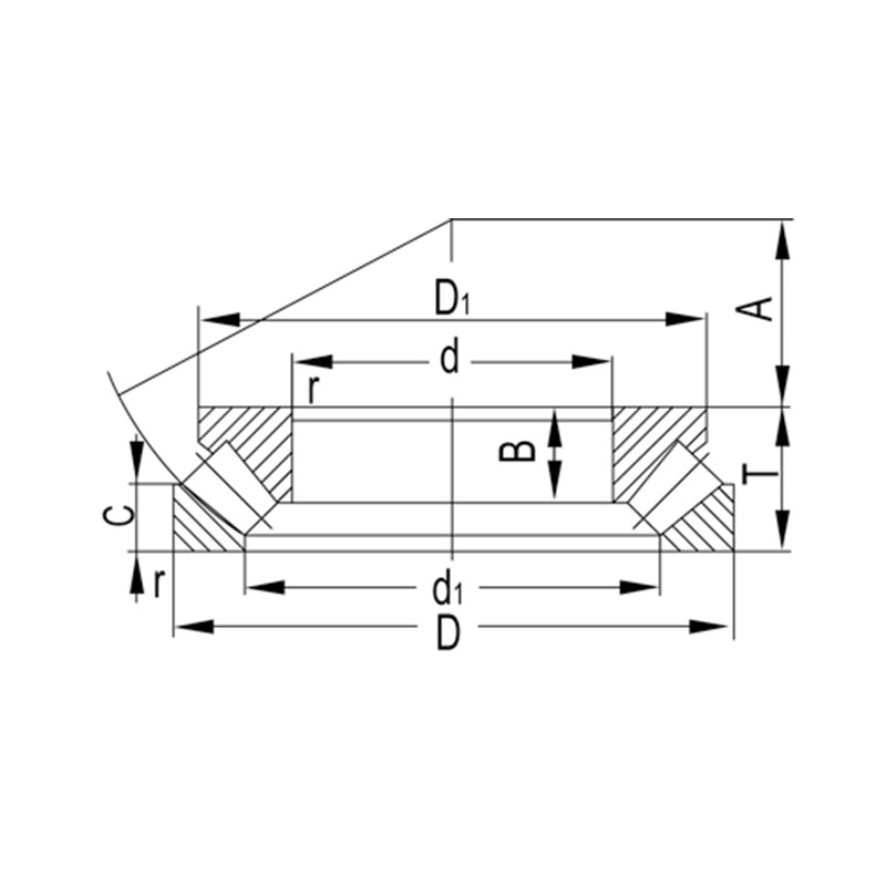
Označení Hlavní rozměry (mm) Základní hodnocení zatížení (KN) Omezená rychlost (RPM) Hmotnost
d D B RS min Dynamic (Cr) Static (cor) Olej (KG)
29412 60 130 42 1.5 283 805 2600 2.78
29413 65 140 45 2 330 945 2400 3.44
29414 70 150 48 2 365 1040 2200 4.19
29415 75 160 51 2 415 1190 2100 5.07
29416 80 170 54 2.1 460 1380 1900 6.09
29417 85 180 58 2.1 490 1480 1800 7.2
29418 90 190 60 2.1 545 1680 1700 8.38
29420 100 210 67 3 685 2130 1500 11.5
29422 110 230 73 3 845 2620 1400 15
29424 120 250 78 4 975 3050 1300 18.6
29426 130 270 85 4 1080 3550 1200 23.7
29428 140 280 85 4 1110 3750 1200 25.2
29430 150 300 90 4 1280 4350 1100 30.5
29432 160 320 95 5 1500 5150 1000 37
29434 170 340 103 5 1660 5750 940 45
29436 180 360 109 5 1840 6200 890 52.9
29438 190 380 115 5 2010 6800 840 62
29440 200 400 122 5 2230 7650 790 73.3

O nás Yinin

Šanghajská Yinin Ložisko a přenosová společnost Založeno v roce 2009 s více než 20 lety zkušeností v oblasti ložisek. Jsme čínský 29400 série Tah sférického ložiska válečků výrobce a poskytujeme zakázkovou 29400 série Tah sférického ložiska válečků výrobu. Od roku 1999 působíme jako zástupce čínských výrobců ložisek a vyvážíme různá ložiska. Dnes jsme se vyvinuli v komplexní skupinu ložisek, která integruje prodej a výrobu.

Použití v průmyslu

Ložiska také hrají velmi důležitou roli v zemědělských strojích. Používají se k podpoře rotujícíc...

Ložiska se široce používají v automobilech. Jsou klíčovými podpůrnými a rotujícími částmi mnoha p...

Používá se pro podporu, výšku, úhel, kloub a rotující části zdravotnického vybavení.

Používá se pro podporu, rotaci, motorický a kompresor součástí domácích spotřebičů.

Používá se pro rotaci a pohyb podpory a vodicí části automatizačního vybavení

Ve stavebních strukturách lze ložiska použít k propojení různých strukturálních komponent.

Ve výrobním procesu potravin a nápojů jsou k přepravě kapalin a kompresory používány čerpadla a k...

Ložiska se používají v motorech letadel a kosmických lodí k podpoře rotujících komponent, jako js...

Novinky a informace

Více informací

2026-02-26

Jaké jsou kritické rozdíly mezi přesnými třídami P6 a P...
Ve vysoce přesném světě obrábění pomocí počítačového numerického řízení (CNC) je výkon 6000 kuličkové ložisko je zásadní pro dosažení submikronové přesnosti. Jako tažný kůň Kuličkové lož...

2026-02-19

Technická analýza: Jaké jsou hlavní rozdíly mezi kuličk...
V oblasti vysoce přesného strojírenství výběr správného materiálu pro kuličková ložiska z nerezové oceli je rozhodnutí, které určuje provozní životnost a bezpečnost celého strojního z...

2026-02-12

Je kuličkové ložisko z nerezové oceli 6200 nezbytné pro...
V oblasti techniky rotačního pohybu je řada 6200 jedním z nejrozšířenějších kuličkových ložisek s hlubokou drážkou díky své všestrannosti a optimalizované radiální únosnosti. Při provozu v průmyslo...

Kontaktujte nás

SUBMIT

Technické poradenství

  • Šanghajská Yinin Ložisko a přenosová společnost

    Zakázková řešení

  • Šanghajská Yinin Ložisko a přenosová společnost

    Neustálý výzkum a vývoj

  • Šanghajská Yinin Ložisko a přenosová společnost

    Kontrola kvality

  • Šanghajská Yinin Ložisko a přenosová společnost

    Technická podpora a školení

  • Šanghajská Yinin Ložisko a přenosová společnost

    Rychlá reakce

Máte-li jakékoli technické konzultace nebo zpětnou vazbu, poskytneme vám co nejprofesionálnější odpověď!

Kontaktujte nás