Série LFR Sledujte ložiska válců
Série LFR Sledujte ložiska válců
Série LFR Sledujte ložiska válců

Série LFR

Orbitální ložiska série LFR jsou speciálně navržena pro vysoké zatížení a vysoké požadavky na výkon a jsou široce používány ve strojírenských strojích, těžebním vybavení, těžkém vybavení a dalších polích. Tato série ložisek používá speciální materiály a pokročilé výrobní procesy k vynikajícímu odolnosti vůči zátěži a opotřebení, což může účinně snížit tření a spotřebu energie a prodloužit životnost. Série LFR má řadu specifikací a typů, které vyhovují potřebám různých aplikačních prostředí. Kromě toho jeho jedinečný design usnadňuje instalaci a údržbu a zkrátí prostoje zařízení. Ať už ve vysoké teplotě, vlhkém nebo zaprášeném prostředí, orbitální válečkové ložiska série LFR se dobře zabývají stabilním provozem a efektivním výkonem vybavení.

Odeslat poptávku

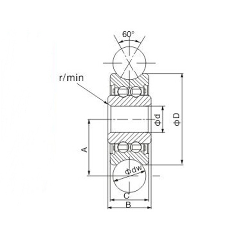
Parametry produktu

Typ kola Hmotnost Rozměry (mm) Načíst (KN)
Německo Itálie Domácí model (G) DW d D C B A Rs CW Kráva
LFR 50/5-4 n 4 5 16 7 5 18 6.9 0 2.02 0.93 8
LFR 50/5-5 5 5 17 7 5 20 6.9 0 2.02 0.93 8
LFR 50/5 n 6 5 17 7 5 21 6.9 0 2.02 0.93 8
LFR 50/8 n 6 8 24 11 7 28 12.3 0 3.67 2.28 25
LFR 50/8-8 n 8 8 24 11 7 29 12.3 0 3.67 2.28 25
LFR 50/4 npp - - 3.5 5 4 13 6 7 8.04 0.2 1.05 0.85
LFR 50/5-4 KDD LFR50/5KDD-4 R 50/5-4 zz 7.5 4 5 16 7 8 9 0.2 1.2 0.86
LFR 50/5-4 NPP LFR50/5NPP-4 R 50/5-4 2RS 7.5 4 5 16 7 8 9 0.2 1.2 0.86
LFR 50/5 KDD LFR50/5KDD R 50/5-6 zz 8 6 5 17 7 8 10.5 0.2 1.27 0.82
LFR 50/5 npp LFR50/5NPP R 50/5-6 2RS 8 6 5 17 7 8 10.5 0.2 1.27 0.82
LFR 50/8 KDD LFR50/8KDD R 50/8-6 zz 24 6 8 24 11 11 14 0.3 3.67 2.28
LFR 50/8 NPP LFR50/8NPP R 50/8-6 2RS 24 6 8 24 11 11 14 0.3 3.67 2.28
LFR 50/8-8 KDD - - 24 8 8 24 11 11 14.8 0.3 3.67 2.28
LFR 50/8-8 NPP - - 24 8 8 24 11 11 14.8 0.3 3.67 2.28
LFR 30/8 KDD - - 31 10 8 27 11 13 16.7 0.3 3.67 2.28
LFR 30/8 NPP - - 31 10 8 27 11 13 16.7 0.3 3.67 2.28
LFR 5201 KDD LFR5201KDD R 5201-10 Zz 68 10 12 35 16 16 20.7 0.3 8.5 5.1
LFR 5201 NPP LFR5201NPP R 5201-10 2RS 68 10 12 35 16 16 20.7 0.3 8.5 5.1
LFR 5301 KDD LFR5301KDD R 5301-10 Zz 130 10 12 42 19 19 24 0.6 13 7.7
LFR 5301 NPP LFR5301NPP R 5301-10 2RS 130 10 12 42 19 19 24 0.6 13 7.7
LFR 5301-20 KDD - - 125 20 12 42 19 19 28 0.6 13 7.7
LFR 5301-20 NPP - - 125 20 12 42 19 19 28 0.6 13 7.7
LFR 5302 KDD LFR5302KDD R 5302-10 Zz 163 10 15 47 19 19 26.7 1 16.2 9.2
LFR 5302 NPP LFR5302NPP R 5302-10 2RS 163 10 15 47 19 19 26.7 1 16.2 9.2
LFR 5201-12 KDD LFR5201-12KDD R 5201-12 Zz 68 12 12 35 16 16 21.8 0.3 8.4 5
LFR 5201-12 NPP LFR5201-12NPP R 5201-12 2RS 68 12 12 35 16 16 21.8 0.3 8.4 5
LFR 5201-14 KDD LFR5201-14KDD R 5201-14 Zz 107 14 12 40 18 20 24 0.3 8.9 5
LFR 5201-14 NPP LFR5201-14NPP R 5201-14 2RS 107 14 12 40 18 20 24 0.3 8.9 5
LFR 5201-10.40 KDD - - 115 10 12 40 18 20 22 0.3 8.9 5
LFR 5201-10.40 NPP - - 115 10 12 40 18 20 22 0.3 8.9 5
LFR 5204-16 KDD* LFR5204-16KDD R 5204-16 Zz 195 16 20 52 21 23 31.5 0.6 16.8 9.5
LFR 5204-16 NPP* LFR5204-16NPP R 5204-16 2RS 195 16 20 52 21 23 31.5 0.6 16.8 9.5
LFR 5206-20 KDD* LFR5206-20KDD R 5206-20 ZZ 435 20 25 72 24 26 41 0.6 29.5 16.6
LFR 5206-20 NPP* LFR5206-20NPP R 5206-20 2RS 435 20 25 72 24 26 41 0.6 29.5 16.6
LFR 5206-25 KDD* LFR5206-25KDD R 5206-25 Zz 425 25 25 72 24 26 43.5 0.6 29.2 16.4
LFR 5206-25 NPP* LFR5206-25NPP R 5206-25 2RS 425 25 25 72 24 26 43.5 0.6 29.2 16.4
LFR 5207-30 KDD* LFR5207-30KDD R 5207-30 Zz 660 30 30 80 27 29 51 1 38 20.8
LFR 5207-30 NPP* LFR5207-30NPP R 5207-30 2RS 660 30 30 80 27 29 51 1 38 20.8
LFR 5208-40 KDD* LFR5208-40KDD R 5208-40 Zz 1360 40 40 98 36 38 62.5 1 54.8 29
LFR 5208-40 NPP* LFR5208-40NPP R 5208-40 2RS 1360 40 40 98 36 38 62.5 1 54.8 29
LFR 5308-50 KDD* LFR5308-50KDD R 5308-50 Zz 1400 50 40 ## 44 46 72.5 1.1 53 39.5
LFR 5308-50 NPP* LFR5308-50NPP R 5308-50 2RS 1400 50 40 ## 44 46 72.5 1.1 53 39.5

O nás Yinin

Šanghajská Yinin Ložisko a přenosová společnost Založeno v roce 2009 s více než 20 lety zkušeností v oblasti ložisek. Jsme čínský Série LFR Sledujte ložiska válců výrobce a poskytujeme zakázkovou Série LFR Sledujte ložiska válců výrobu. Od roku 1999 působíme jako zástupce čínských výrobců ložisek a vyvážíme různá ložiska. Dnes jsme se vyvinuli v komplexní skupinu ložisek, která integruje prodej a výrobu.

Použití v průmyslu

Ložiska také hrají velmi důležitou roli v zemědělských strojích. Používají se k podpoře rotujícíc...

Ložiska se široce používají v automobilech. Jsou klíčovými podpůrnými a rotujícími částmi mnoha p...

Používá se pro podporu, výšku, úhel, kloub a rotující části zdravotnického vybavení.

Používá se pro podporu, rotaci, motorický a kompresor součástí domácích spotřebičů.

Používá se pro rotaci a pohyb podpory a vodicí části automatizačního vybavení

Ve stavebních strukturách lze ložiska použít k propojení různých strukturálních komponent.

Ve výrobním procesu potravin a nápojů jsou k přepravě kapalin a kompresory používány čerpadla a k...

Ložiska se používají v motorech letadel a kosmických lodí k podpoře rotujících komponent, jako js...

Novinky a informace

Více informací

2026-02-26

Jaké jsou kritické rozdíly mezi přesnými třídami P6 a P...
Ve vysoce přesném světě obrábění pomocí počítačového numerického řízení (CNC) je výkon 6000 kuličkové ložisko je zásadní pro dosažení submikronové přesnosti. Jako tažný kůň Kuličkové lož...

2026-02-19

Technická analýza: Jaké jsou hlavní rozdíly mezi kuličk...
V oblasti vysoce přesného strojírenství výběr správného materiálu pro kuličková ložiska z nerezové oceli je rozhodnutí, které určuje provozní životnost a bezpečnost celého strojního z...

2026-02-12

Je kuličkové ložisko z nerezové oceli 6200 nezbytné pro...
V oblasti techniky rotačního pohybu je řada 6200 jedním z nejrozšířenějších kuličkových ložisek s hlubokou drážkou díky své všestrannosti a optimalizované radiální únosnosti. Při provozu v průmyslo...

Kontaktujte nás

SUBMIT

Technické poradenství

  • Šanghajská Yinin Ložisko a přenosová společnost

    Zakázková řešení

  • Šanghajská Yinin Ložisko a přenosová společnost

    Neustálý výzkum a vývoj

  • Šanghajská Yinin Ložisko a přenosová společnost

    Kontrola kvality

  • Šanghajská Yinin Ložisko a přenosová společnost

    Technická podpora a školení

  • Šanghajská Yinin Ložisko a přenosová společnost

    Rychlá reakce

Máte-li jakékoli technické konzultace nebo zpětnou vazbu, poskytneme vám co nejprofesionálnější odpověď!

Kontaktujte nás