SG řady Sledujte ložiska válců
SG řady Sledujte ložiska válců
SG řady Sledujte ložiska válců

SG řady

Orbitální ložisko série SG řady je vysoce výkonný produkt ložiska speciálně navržený pro sledovací a průvodce. Používají pokročilé výrobní procesy a vysoce kvalitní materiály k zajištění stability a trvanlivosti v extrémních podmínkách. Toto ložisko má vynikající odolnost proti zátěži a odolnost proti opotřebení a je vhodné pro těžké a vysokorychlostní aplikace, jako jsou železnice, stavební stroje a předávací zařízení. Konstrukční vlastnosti řady SG zahrnují optimalizovaný válcovací prvek a vnitřní a vnější tvary prstenců, aby se snížilo tření a zlepšilo účinnost. Kromě toho tato ložiska také dobře fungují, pokud jde o utěsnění a odolnost proti prachu, což účinně prodlužuje jejich životnost. Ať už v drsných prostředích nebo složitých provozních podmínkách může orbitální válečková ložiska SG poskytnout spolehlivý výkon a zajistit bezpečný provoz vybavení.

Odeslat poptávku

Ložiska sérií SG řady-průmyslová řešení s vysokým zatížením, dlouhým životem

Ložiska sérií SG řady jsou těžká válečná ložiska určená pro drsná průmyslová prostředí, vhodná pro vysoce nárazové zatížení, nepřetržité provoz a extrémní teplotní podmínky. Vyrobeny z vysoce kvalitních výrobních procesů z oceli a přesnosti, zajišťují nízké tření, vysokou rigiditu a ultra dlouhou životnost, což z nich činí ideální pro stavební stroje, automatizační zařízení a železniční systémy.

Vynikající trvanlivost
Vyrobeno z vakuové odplyněné ložiskové oceli (SUJ2), s tvrdostí HRC 60-64, se odolnost proti opotřebení zvyšuje o 50%.
Ošetření povrchové fosfářství, výkon odolný proti rezi, splňuje standardy ISO, vhodné pro drsná prostředí, jako je vlhkost a prach.

Vysoká zatížení
Dynamické hodnocení zatížení (C) dosáhne XX KN, statické zatížení (C0) dosáhne XX KN (vyplňte podle skutečných dat), podporuje radiální a axiální kombinované síly.
Posílený konstrukce vnějšího prstence, odolnost proti nárazu je o 30% lepší než podobné produkty.

Návrh nízké údržby
Předem promazaná struktura těsnění (volitelná těsnění LLB nebo kovový polyh), životnost na tuku až 10 000 hodin.
Modulární design podporuje rychlou výměnu a snižuje prostoje.

Přesná operace
Stupeň tolerance až do ISO P6 je hodnota provozních vibrací nižší než průmyslový standard, vhodný pro vysoce přesný vodicí železniční systém.

Proč si vybrat naši řadu SG?
Přizpůsobená služba: Podpora nestandardní velikosti, speciální povlak (jako je pokovování niklu) a přizpůsobení maziva.
Globální ověření: Produkty jsou exportovány do 30 zemí.

Scénáře aplikací
Průmyslové stroje: Tiskové stroje, strojní zařízení na výrobu papíru, automatizační stroje, textilní stroje, prodejní automaty, dřevozpracující stroje, obalové stroje
Elektronické vybavení: Robotické zbraně, měřicí zařízení, platformy X-Y, lékařské vybavení, automatizační zařízení v továrně
Rotační stroje: Kovové tepelné léčby, brzdové systémy atd.
Letecký průmysl: brzdy chlopňů letadel, brzdy sedadel, rakety, letištní vybavení atd.
Ostatní: Vysílací anténní brzdy, ovládací prvky dveří a oken, ovládací prvky lékařského postele, parkovací zařízení, dveře stroje, laboratorní automatizace atd.

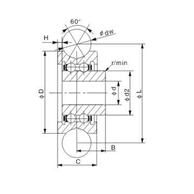
Parametry produktu

Typ Rozměry (mm) Načíst (KN) Hmotnost
DW d D C B L D2 H CW Kráva (KG)
SG15 6 5 17 8 5.75 20.46 8.6 1 1.27 0.82 8
SG15-10 10 5 17 8 5.75 25.5 8.6 1 1.27 0.82 9
SG20 8 6 24 11 7.25 28.62 11.1 1.2 3.4 1.7 25
SG25 10 8 30 14 8.5 35.77 13 1.5 3.67 2.28 49
SG35 12 12 42 19 12.5 48.93 18 1.5 8.5 5.1 136
SG15N 6 5 17 8 5.75 20.46 8.6 0.5 1.27 0.82 8
SG20N 8 6 24 11 7.25 28.62 11.1 0.7 3.4 1.7 25
SG25N 10 8 30 14 8.5 35.77 13 1 3.67 2.28 49
SG35N 12 12 42 19 12.5 48.93 18 1 8.5 5.1 136

O nás Yinin

Šanghajská Yinin Ložisko a přenosová společnost Založeno v roce 2009 s více než 20 lety zkušeností v oblasti ložisek. Jsme čínský SG řady Sledujte ložiska válců výrobce a poskytujeme zakázkovou SG řady Sledujte ložiska válců výrobu. Od roku 1999 působíme jako zástupce čínských výrobců ložisek a vyvážíme různá ložiska. Dnes jsme se vyvinuli v komplexní skupinu ložisek, která integruje prodej a výrobu.

Použití v průmyslu

Ložiska také hrají velmi důležitou roli v zemědělských strojích. Používají se k podpoře rotujícíc...

Ložiska se široce používají v automobilech. Jsou klíčovými podpůrnými a rotujícími částmi mnoha p...

Používá se pro podporu, výšku, úhel, kloub a rotující části zdravotnického vybavení.

Používá se pro podporu, rotaci, motorický a kompresor součástí domácích spotřebičů.

Používá se pro rotaci a pohyb podpory a vodicí části automatizačního vybavení

Ve stavebních strukturách lze ložiska použít k propojení různých strukturálních komponent.

Ve výrobním procesu potravin a nápojů jsou k přepravě kapalin a kompresory používány čerpadla a k...

Ložiska se používají v motorech letadel a kosmických lodí k podpoře rotujících komponent, jako js...

Novinky a informace

Více informací

2026-02-26

Jaké jsou kritické rozdíly mezi přesnými třídami P6 a P...
Ve vysoce přesném světě obrábění pomocí počítačového numerického řízení (CNC) je výkon 6000 kuličkové ložisko je zásadní pro dosažení submikronové přesnosti. Jako tažný kůň Kuličkové lož...

2026-02-19

Technická analýza: Jaké jsou hlavní rozdíly mezi kuličk...
V oblasti vysoce přesného strojírenství výběr správného materiálu pro kuličková ložiska z nerezové oceli je rozhodnutí, které určuje provozní životnost a bezpečnost celého strojního z...

2026-02-12

Je kuličkové ložisko z nerezové oceli 6200 nezbytné pro...
V oblasti techniky rotačního pohybu je řada 6200 jedním z nejrozšířenějších kuličkových ložisek s hlubokou drážkou díky své všestrannosti a optimalizované radiální únosnosti. Při provozu v průmyslo...

Kontaktujte nás

SUBMIT

Technické poradenství

  • Šanghajská Yinin Ložisko a přenosová společnost

    Zakázková řešení

  • Šanghajská Yinin Ložisko a přenosová společnost

    Neustálý výzkum a vývoj

  • Šanghajská Yinin Ložisko a přenosová společnost

    Kontrola kvality

  • Šanghajská Yinin Ložisko a přenosová společnost

    Technická podpora a školení

  • Šanghajská Yinin Ložisko a přenosová společnost

    Rychlá reakce

Máte-li jakékoli technické konzultace nebo zpětnou vazbu, poskytneme vám co nejprofesionálnější odpověď!

Kontaktujte nás